THE FIRST NAME IN ROLL FORMING TECHNOLOGY & MORE

Pre-Engineered Solutions

0

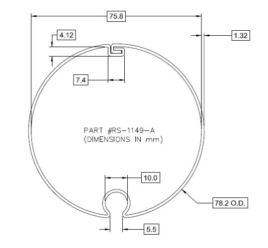
At Roll Forming Corporation, we not only produce user-specific custom parts, but also a variety of industry standard parts that can be used off-the-shelf or modified with secondary operations to precisely fit your next application. In either case, the base engineering has all been done for you.

0
0
0